数字电子技术基础(四十)——使用Digital软件和Multisim软件模拟显示译码器
目录
1 使用Digital软件模拟显示译码器
1.1 原理介绍
1.2 器件选择
1.3 电路运行
1.4 结果分析
2 使用Multisim软件模拟显示译码器
2.1 器件选择
2.2 电路运行
1 使用Digital软件模拟显示译码器
1.1 原理介绍
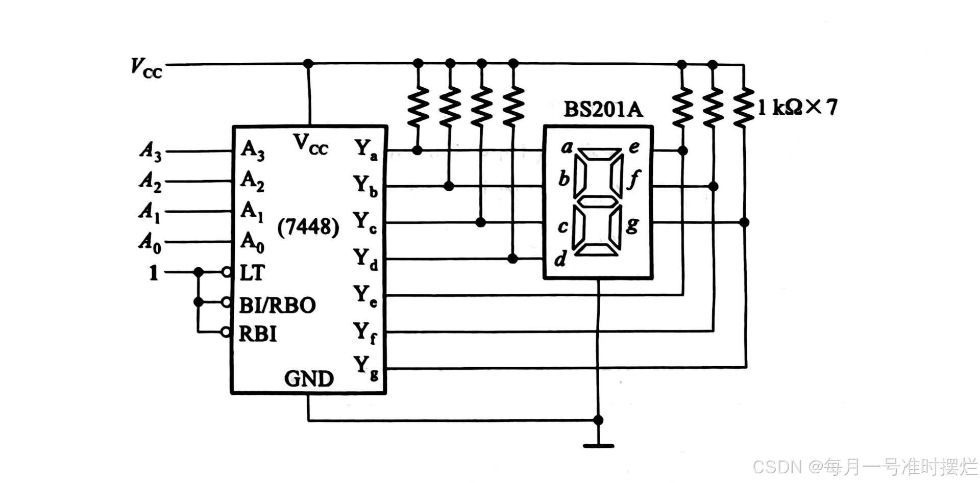
7448常用于驱动7段显示译码器。如下所示为7448驱动BS201A半导体数码管的连接方法:

在上面的电路图中,是在普通的译码模式的电路图,在本文中会对于三个重要的控制引脚LT'、BI/RBO'和RBI'不为111的情况进行验证。
1.2 器件选择
Digital软件器件选择:
- 芯片选择:在组选项栏中选择库,库中选择DIL Chips,DIL Chips中选择74××,74xx选项栏中选择display,display选项栏中选择7448芯片。
- 显示译码器:在组选项栏中选择输入输出,在输入输出选项栏中选择显示,在显示选项栏中选择7段译码器。
- 输入:在组选项栏中选择输入输出,在输入输出选项栏中选择输入,重复四次,分别放在7448芯片引脚A~D旁边。
- 开关:在组选项栏中选择开关,在开关选项栏中选择双掷开关,旋转180°,重复三次,分别放置在7448芯片引脚LT'、引脚RBI'、引脚BI'/RBO'旁边。
- 电源:在组选项栏中选择导线,在导线选项栏中选择地;同时在组选项栏中选则导线,在导线选项栏中选择电源,电源和低放置在开关双掷的一侧。
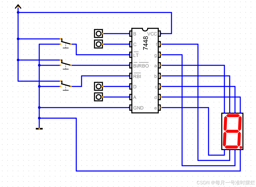
将电源全部接双掷开关的双掷上端,双掷下端全部接地,然后另一边接7448芯片的引脚LT'、引脚BI'/BRO'和引脚BRI';四个输入接7448芯片的引脚A~D;引脚GND接地,引脚VCC接电源;引脚a~f分别接显示译码器的引脚a~f,显示译码器的引脚h接地。
需要注意的是,在Digital软件中各个引脚和7448芯片对应的引脚如下所示:

在连接时显示译码器连接芯片的时候需要相互对应。
使用Digital软件连接电路图如下所示:

1.3 电路运行
在Digital软件中绘制电阻,可以不画电阻进行仿真实验,这是因为数字仿真的电路通常是被认为理想的元器件,忽略实际的物理限制,并且软件优先检查逻辑电平的高低,不检查具体的电流值。
下面开始运行本电路。
(1)当LT'=0时,其他引脚取任意值,此时电路输出情况如下所示:

当LT'=0时,无论RBI'、BI/RBO'怎么样改变,引脚A~D输入任意值,输出情况都不会发生改变,此时输出均为高电平。此时电路处于灯测试模式。
(2)当LT'=1、BI/RBO'=0时,此时电路输出情况如下所示:

可以看到LT'=1、BI/RBO'=0时,此时输出全为低电平,无论引脚A~D输出什么值都不会发生改变,本电路是强制消隐。
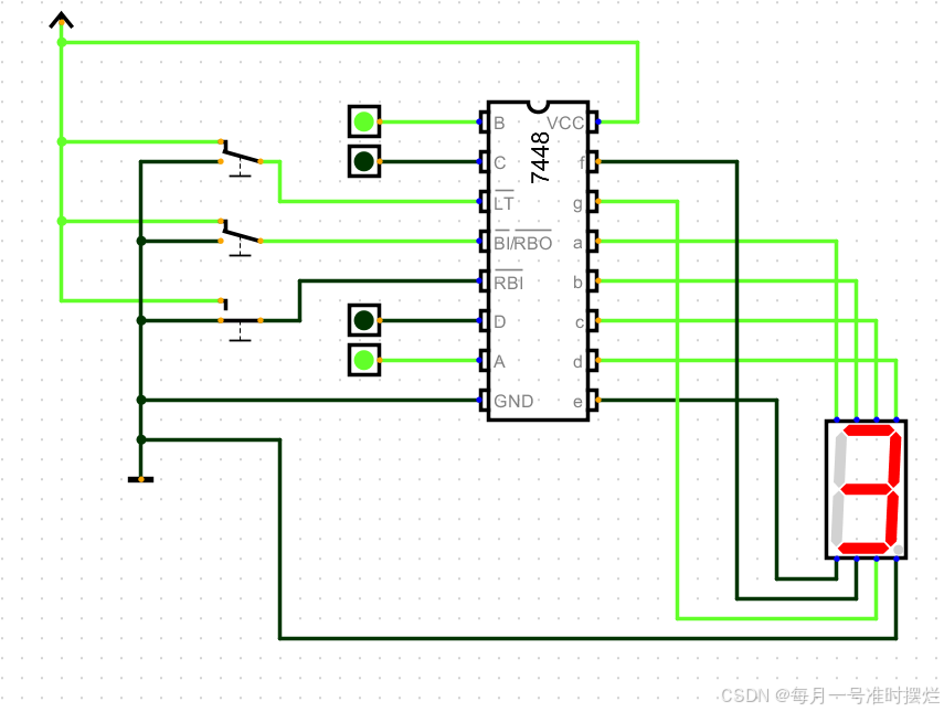
(3)当LT'=1、RBI'=0、BI/RBO'=1,当输出不为0000时,此时电路输出情况如下所示:

当LT'=1、RBI'=0、BI/RBO'=1且输出不为0000时,可以看书数字能够正常显示,动态灭零的情况不触发。
当LT'=1、RBI'=0、BI/RBO'=1,当输出为0000,此时电路输出情况为:

当LT'=1、RBI'=0、BI/RBO'=1且输出为0000时,可以看到软件报了错,在一条导线上存在多于一个输出信号导致短路。此时电路动态灭零生效。
动态灭零是是数字显示系统中一种自动消隐无效零的技术,消去电路中多余的零,提高可读性和减少视觉干扰。
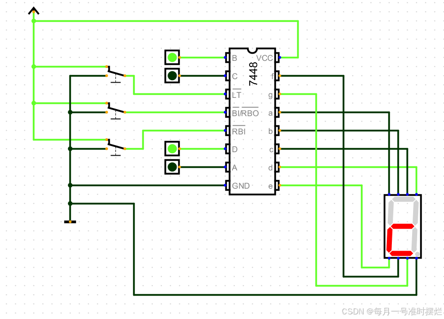
(4)当LI'=1、RBI'=1、BI/RBO’=1,当输入0000时:

当LI'=1、RBI'=1、BI/RBO’=1,当输入0011时:

当 LI'=1、RBI'=1、BI/RBO’=1,当输入0101时:

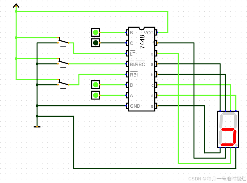
当 LI'=1、RBI'=1、BI/RBO’=1,当输入0111时:

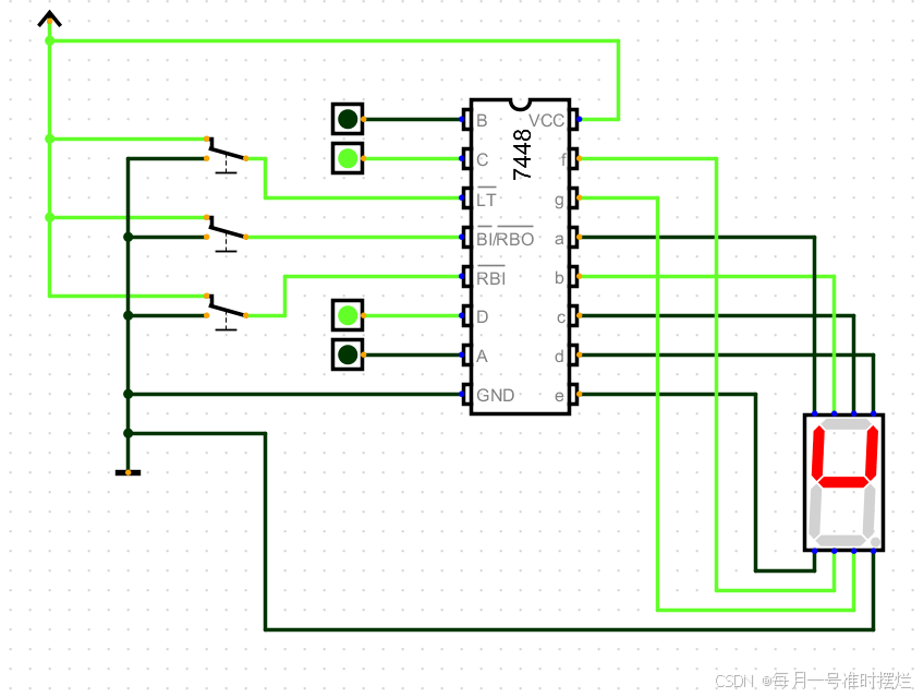
当 LI'=1、RBI'=1、BI/RBO’=1,当输入1000时:

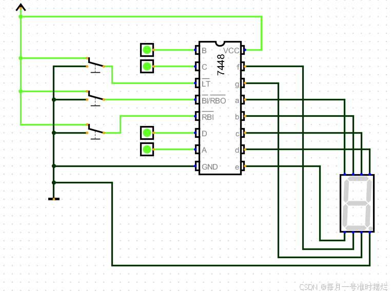
当输出大于1001时,当 LI'=1、RBI'=1、BI/RBO’=1,当输入1010时:

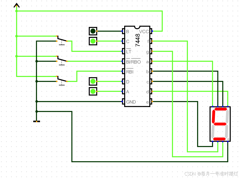
当 LI'=1、RBI'=1、BI/RBO’=1,当输入1011时:

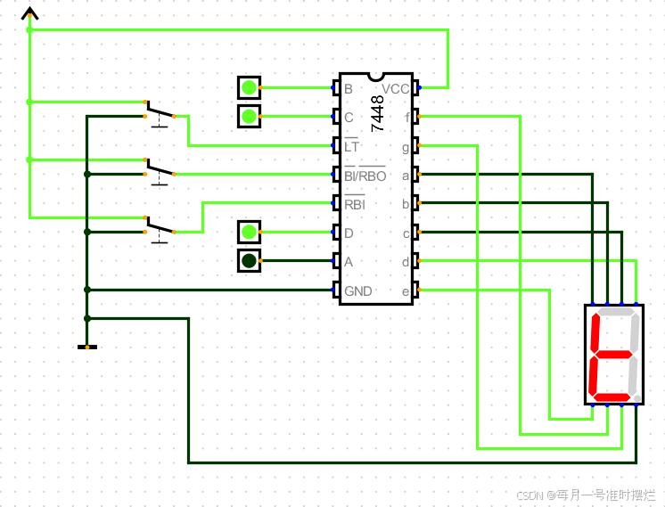
当 LI'=1、RBI'=1、BI/RBO’=1,当输入1100时:

当 LI'=1、RBI'=1、BI/RBO’=1,当输入1101时:

当 LI'=1、RBI'=1、BI/RBO’=1,当输入1110时:

当 LI'=1、RBI'=1、BI/RBO’=1,当输入1111时:

1.4 结果分析
通过上面的内容,可以得到如下所示的真值表内容:

2 使用Multisim软件模拟显示译码器
2.1 器件选择
芯片选择:组选项栏中选择TTL,系列选项栏中选择74LS,在元器件选项栏中74LS48N。
7段显示器选择:组选项栏中选择Indicators,在系列选项栏中选择HEX_DISPLAY,在元器件中选择SEVEN_SEG_COM_K。
开关选择:组选项栏中选择Basic,在系列选项栏中选择SWITCH,在元器件选项栏中SPDT,水平翻转,复制粘贴七个。
电源选择:组选项栏中选择Sources,系列选项栏中选择POWER_Sources,元器件选项栏中选择VCC,选择合适位置进行放置;在组选项栏中选择Sources,系列选项栏中选择POWER_Sources,元器件选项栏中选择GROUND。
电阻选择:组选项栏中选择Basic,在系列选项栏中选择RESISTOR,电阻为1k,选择合适位置放置,重复七次。
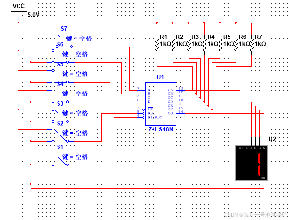
最终连接方式如下所示:

2.2 电路运行
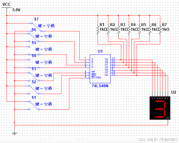
运行本电路得,当输入为0011时:

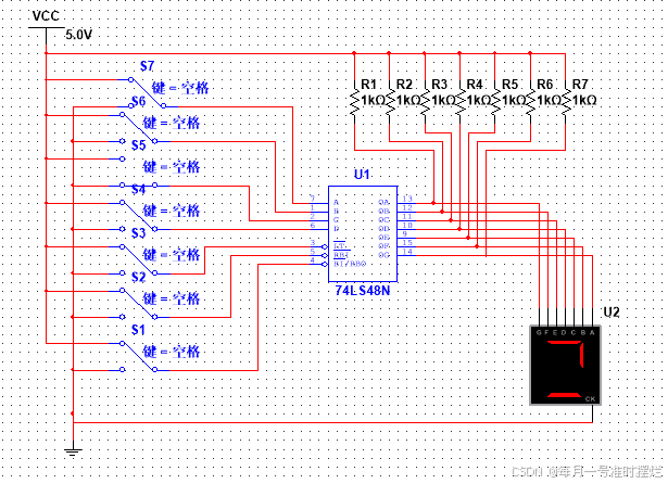
当运行1101时:

可以看到正常显示结果。
