单片机基础知识-STM32

其中电脑内存的速度40GB/S怎么算的呢?首先X86架构的芯片一般是64位的,64/8 = 8 Byte(字节),8Byte*5GHz = 40GB/S

由于冯诺依曼架构中程序指令和数据被存储在同一个存储器中,程序和数据共用一条地址和数据线,这就要求分时复用地址和数据线,效率偏低
哈佛结构就将程序指令和数据存储到两个独立的存储器中,程序和数据的地址线和数据线都分开了,这样执行起来效率高,但是占用引脚等的资源
STM32系列微控制器采用的是哈佛结构

在ARM官网,可以找到想要的某个系列的比如cortex-M系列的资料


ARM开发者官网:


整合后的:

最后一行的参数就是跑分
STM32基础知识
ST中文社区网:https://www.stmcu.org.cn 里面可以下载很多官方资料:比如芯片数据手册
ST官网: https://www.st.com
5大类、18个系列、1000多个型号

如何选择想要的stm32的型号芯片,主要就是根据需求来,比如需要多少个引脚,多大的内存等等

查看数据手册
首先在中文网下载芯片数据手册


首先查看手册时要先看是否符合我们所需要的芯片,例如我们需要stm32F103ZET6的芯片手册,那么看下面STM32F103xE就能够使用,这部分在芯片手册的订货代码也可以找到


数据手册包含的内容有哪些


先看到的基础信息,后面各个模块的参数都可以找到


引脚定义:看后面的定义说明,一个手册里面包含的芯片封装有很多种:比如有LQFP144、LQFP100等

看脚位时,要注意下面的封装代表的什么:每种芯片不一样,例如STM32ZET6的封装是LQFP144,那么就要看这一列的


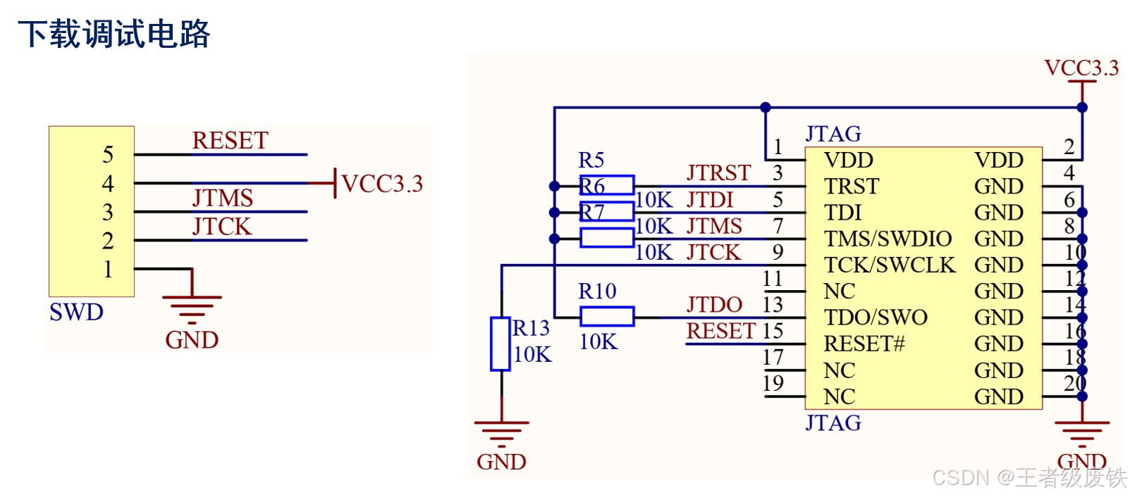
下载接口,串口下载不能进行调试

BOOT引脚


电气特性中的绝对最大额定值:比如电压超过这个值可能会烧坏芯片

可以看到其中有的电流的最大额定值只有5mA,这个在后面设计原理图的时候会接一个10KΩ的电阻,防止电流过大,比如JTAG接口
STM32的各种引脚功能
电源有4类引脚,可以看下图,VDD就是电源的3.3V或者5V这种,VSS就是GND

电源电路-数字部分电源

其中的0Ω电阻主要是为了维修使用,其实这里也可以使用跳线帽,维修的时候可以将3.3V隔离开
电源电路-模拟电源

电源电路-参考电路

电源电路-后备区域供电

VCC3.3VM是数字电源部分给的电,通过二极管D1给VBAT后备引脚供电,当VCC3.3M没了以后,BAT也就是一节3V的纽扣电池就会通过二极管D2给VBAT供上电,这样在断电后,RTC在纽扣电池的供电下也可以正常工作。
复位电路

上电复位:在上电之前,电容内部是没有电的,电容具有的一个功能是防止电压突变,所以上电的一瞬间,电容是将电流导通的相当于短路,并且NRST此时还是低电平,当电容慢慢充电,变为高电平。一般这个电容大小是10*10^4 PF,这样电容充电时间就满足1~4.5ms。
复位按键复位:VCC3,3给NRST供电,此时为高电平,当按下按键时,电平会被拉为低电平,形成复位
BOOT启动电路

晶振电路

stm32为什么分为低俗和高速两种晶振呢?
在STM32官方推荐的开发工具CubeMX中,我们可以直观的看到MCU的时钟配置图。在图中可以看到芯片的时钟配置情况,同时也可以看到低速晶振 32.768kHz 和高速晶振 8MHZ的入口。如下图左侧红框:

低速晶振 32.768kHz
从图中可以看出,低速晶振 32.768kHz 连接LSE(low-speed external clock signal),最终到达RTC(real-time clock)。
RTC 是一个独立的定时器。从 real-time clock(实时时钟)四字可以理解,RTC可以为系统实时记录当前系统时间和日期,不管芯片有没有掉电。如果想要使用 RTC 实时记录系统时间,芯片需要接入额外备用电源,通常为纽扣电池。这样以来,RTC 在芯片掉电后,可以由电池供电继续运行。
对于掉电后不需要记录系统时间的电路板,我们将低速晶振 32.768kHz 舍去,节约板子空间,精简电路设计。
高速晶振 8MHZ
从图中可以看出,高速晶振 8MHz 连接HSE(high-speed external clock signal),最终到达SYSCLK(system clock)。
SYSCLK 是系统时钟,为芯片内部各大模块的运转提供动力,不可缺少。高速晶振 8MHz 作为系统时钟的来源,可以由芯片内部的 HSI RC 时钟源或芯片外部的 独立时钟源 提供。这篇文章3提到在使用芯片内部的 HSI RC 时钟源做为系统时钟时,发现时钟有偏差,导致串口设备无法使用。由于芯片内部的 HSI RC 时钟源不够精准,我们通常采用外部独立时钟源来来为芯片提供系统时钟。
对于 STM32 电路板,外部高速晶振 8MHz 需要保留,为芯片提供系统时钟,使芯片能够正常工作。
下载调试电路


芯片IO如何分配
优先分配特定外设IO,然后分配通用IO,最后微调
先分配uart、spi、ADC以及其他接口等等,然后在分配普通的GPIO,否则后面就可能会不停地变换IO
