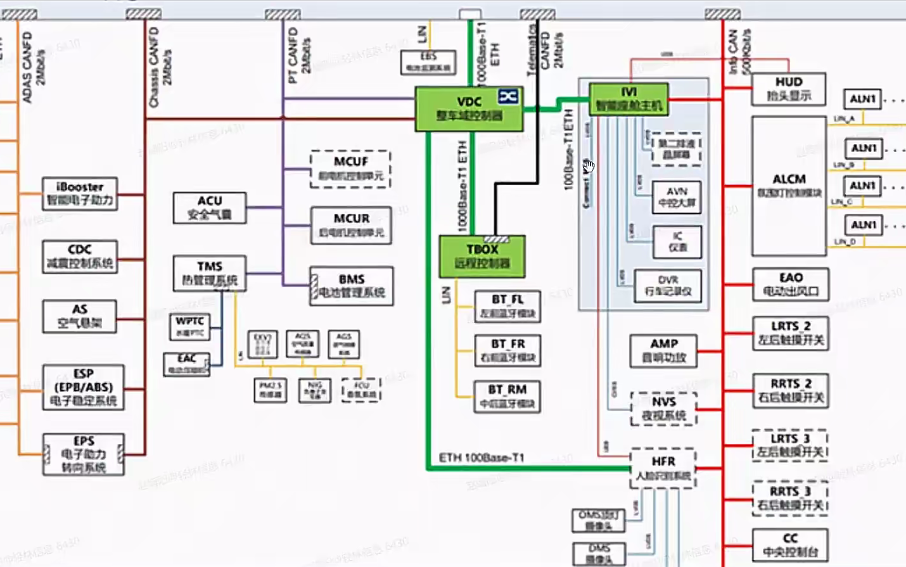
整车CAN网络和CANoe
车载网络中主要包含有Can网络,Lin网络,FlexRay,Most,以太网。
500kbps:500波特率,表示的数据传输的速度。表示的是最大的网速传输速度。也就是每秒
500kb
BodyCan车身Can


InfoCan娱乐信息Can

车身CAN主要连接的是ESB电动安全带 ADB自适应远光灯等

PTCan动力Can

车载网络中主要包含有Can网络,Lin网络,FlexRay,Most,以太网。
500kbps:500波特率,表示的数据传输的速度。表示的是最大的网速传输速度。也就是每秒
500kb



车身CAN主要连接的是ESB电动安全带 ADB自适应远光灯等

